高剪切乳化機是本企業吸取消化國外先進技術和工藝研制開發生產的新產品,各項指標達到國內優秀水平。公司通過ISO9001質量體系認證,產品質量符合GMP技術要求,適用于食品、飲料、化工、生化、石化,顏料、染料、涂料、制藥等領域,具有總體結構簡單、體積小、重量輕、易操作、噪音低及運轉平穩諸優點,其具有在生產工藝流程中不采用研磨介質的特點,集高速剪切、分散、乳均、均質、混合、破碎、輸送于一體。
HIJ間歇式(立式)高剪切分散乳化機是高效、快速、均勻地將一個相或多個相分布到另一個連續相中,而在通常情況下各個相是互相不溶的。由于轉子高速旋轉所產生的高切線速度和高頻機械效應帶來的強勁動能,從而使不相溶的固相、液相、氣相在相應成熟工藝和適量添加劑的共同作用下,瞬間均勻精細地分散乳化,經過高頻的循環往復,最終得到穩定的高品質產品。

1、在高速旋轉的轉子產生的離心力作用下,圖中的物料從工作頭的上下進料區域同時從軸向吸入工作腔。
2、強勁的離心力將物料從徑向甩入定、轉子之間狹窄精密的間隙中。同時受到離心擠壓、撞擊等作用力,使物料初步分散乳化。
3、在調整旋轉的轉子外端產生至少15m/s以上的線速度,高度可至40m/s,并形成強烈的機械及液力剪切、液層摩擦、撞擊撕裂,使物料充分的分散、乳化、均質、破碎、同時通過定子槽射出。
4、物料不斷高速地從徑向射出,在物料本身和容器壁的阻力下改變流向,與此同時在轉子區產生的上、下軸向抽吸力的作用下,又形成上、下兩股強烈的翻動喘流。物料經過數次循環,最終完成分散、乳化、均質過程。

H |
I |
J |
105- |
4 |
K |
||||||
| 公司代號 | 間歇式機 | 產品類 | 產品型號 | 驅動功率 | 刀頭類型 |
(注:產品類:J 簡易連接型 T 彈性連接型 M 釜用密封型 刀頭類型:K1單向吸料工作頭 K2雙向吸料工作頭)

????型????號???? |
功率 (Kw) |
轉????速 (rpm) |
處理量 (L) |
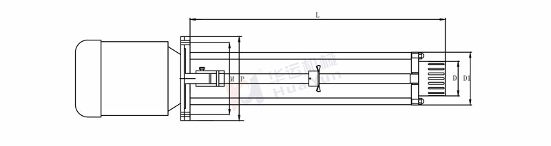
D |
D1 |
P |
L |
M |
|||||||||
HIJ101 |
1.5 |
2800-2900 |
5-50 |
80 |
140 |
200 |
355 |
165 |
|||||||||
HIJ101 |
2.2 |
2800-2900 |
50-100 |
88 |
145 |
200 |
650 |
165 |
|||||||||
HIJ105 |
4 |
2800-2900 |
100-300 |
120 |
180 |
250 |
750 |
215 |
|||||||||
HIJ110 |
7.5 |
2800-2900 |
200-800 |
140 |
210 |
300 |
900 |
265 |
|||||||||
HIJ115 |
11/15 |
2800-2900 |
300-1000 |
160 |
230 |
350 |
1050 |
300 |
|||||||||
HIJ120 |
18.5 |
2800-2900 |
500-1500 |
180 |
260 |
350 |
1200 |
300 |
|||||||||
HIJ125 |
22 |
1400-1500 |
800-2000 |
200 |
270 |
350 |
1200 |
300 |
|||||||||
HIJ130 |
30 |
1400-1500 |
1000-3000 |
240 |
320 |
400 |
1355 |
350 |
|||||||||
HIJ150 |
37 |
1400-1500 |
1500-5000 |
260 |
340 |
400 |
1395 |
350 |

(圖片從左往右)

(圖片從左往右)

E-mail:hyjixie@hyjixie.com
工廠地址:合肥市雙鳳經濟開發區金海路25號
營銷總部地址:合肥市金寨路美第陽光大廈13層
合肥華運機械制造有限公司 版權所有 Copyright ? 2020